包装机控制系统很多,主要有:机电控制、光电控制和电子控制等。它们的主要功能是用于称重、计数、定位、测温、供送、断料以及安全、保护等方面。各方面的功能,均有一定的装置。
1.包装机控制系统——机电控制
机电控制装置,是普通的控制系统,其结构是由凸轮和一些电气元件组成的。结构简单,容易调整和维修。定位机构是用来使转动部件在转位后,能准确地在一定位置上固定,井防止受力移动。凸轮机构上有从动杆与控制执行元件联结(如开关),可控制机构的开启、停止和换向。
2.包装机控制系统——光电控制
光电控制装置,是由光源和光敏元件(光电转换装置)等组成,其应用范围也比较广泛。例如,用于计数时,光源装在传送带的一端,光敏元件装在正对光源的另一端;包装成品通过光源遮光一次,光敏元件就发出一次电讯号,带动一次计数器,计数器上就显示出包装成品的件数。
3.包装机控制系统——电子控制
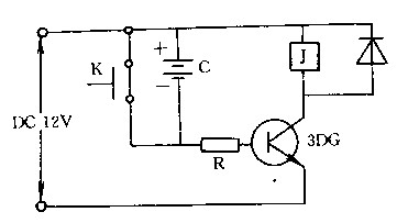
电子控制装置由电子元件组成,具有速度快、控制距离远和准确度高的优点。其成本为一般机电控制的几倍。但在包装速度高达每分钟1000件而又不允许出现差错时,这只有电子控制才能做到。现代的高速装箱机就是采用电子控制的。塑料袋封口的热封时间、热封温度也可用电子技术进行控制。现以电子定时控制为例,说明电子控制的原理。图6—6为简单的延时断开的电子时间继电器,可用作计量中约定时控制及热封时的定时控制。

AYX.COM相关的文章:1.浆糊贴标机
2.茶叶真空包装机
3.装箱机