该包装机组能自动完成计量、填充制袋、打印日期、切袋等全部过程,是液体类包装生产企业的包装配套,设备为大型企业

一、设备介绍:
该包装机组能自动完成计量、填充制袋、打印日期、切袋等全部过程,是液体类包装生产企业的包装配套,设备为大型企业、中小规模企业实现了自动化,提高了各行业的生产效率,大幅降低了成本。适用于液体和带粘性的各种食品,药品和化学产品的包装,包括水果沙拉,番茄酱,蜂蜜,食用油,调味剂,蔬菜汁,莲蓉,甜豆酱等,非食品类得包括面霜,清洁剂,润滑油,工业用糊状物等.
二、系统组成:
不锈钢转子泵液体、膏体上料机
不锈钢立式包装机
不锈钢成品输送机

三、生产流程工序:
开机温度达到恒温→设置参数→物料倒入料斗或用管引入(机器自动从料斗吸入物料)→按设定重量自动定量下料→自动包装机自动制袋成型 (可选配冲孔、插角、排气等附件装置)→填充→封合→打印日期→包装机完成自动封切→-成品包装经成品输送机输送;
四、主要特点:
1.全不锈钢结构经久耐用,确保卫生
2.操作简单,不需另请专业技术人员
3.进口PLC控制,人性化操作界面,大幅提高控制的精确性、可靠性、智能性和调整范围
4.水平传感器监测,易于调整袋长
5.光电开关自动精确跟踪薄膜色标
6.能与输送泵的速度保持一致以确保精确性
7.采用伺服电机电机控制、双拉膜装置,拉膜准确无误,从而保证制袋效果
8.多种进口优质零部件,确保了机器的高品质和高性能
9.不需要额外的排除器或抽真空装置就能制出无空气袋
五、技术参数:
型号 XJB-520
包装容量 200 – 5000g
包装速度 5-15袋/分钟
膜宽 350mm-520mm
袋宽 160mm-250mm
薄膜卷直径 大300mm
膜厚 65微米-100微米
包装薄膜 各种可热封复合薄膜
电源 415V/50Hz/3phase/2.5KW
耗气量 3MPA
产品包装后规格 1580*1380*1990(mm)
产品重量 900KG
主要特点:
*将自动包装好的成品袋输送至包装后检测设备或打包平台
技术参数:
输送速度 | 30米/分 |
外形尺寸 | 2110×340×500mm |
功率(W) | 90 |
电压 | 220V/45W |
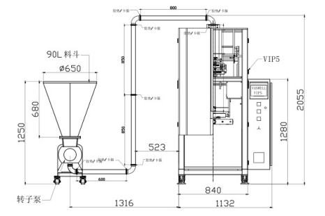
尺寸图:
其它事项:
1.验收办法:本厂产品在出厂前必须按企业标准, 报价单内的数据作参考用。 |
2.付款方式: ⑴.预付30%定金; ⑵.发货前付清65%;(3)设备到买方工厂, 调试验收合格后付5%; |
3.包装运输:木箱包装;物流自提。 |
4.订货日期:收到定金日起计30个工作日内交货。 |
附加方案说明:
一.产品质量保修期及售后服务:产品质量保修期壹年(在保修期内因人为损坏及私自撤卸零配件不在保修期范围内),在保修期内因产品质量问题免费负责零配件更换,保修期过后零配件损坏及更换我公司收取一定成本费用。
二.产品包装:出口产品实木熏蒸包装;
三.随机配件:1.横封和纵封的发热片各2条;2.热电偶1条;3.运膜皮带1条;4.切刀1把; 5.随机工具1套; 6.产品使用说明书1份;
四.设备交货期:30个工作日(如遇自然灾害时间顺延);
本公司10几年来专业主打包装机,拥有多种型号和种类的包装机设备,机器采用先进进口元件,技术上有着很大的突破,您有意向可以前来咨询,我们拥有专业的团队来为您提供良好的技术支持。
